Railway Safety Appliance Standards Regulations (C.R.C., c. 1171)
Full Document:
- HTMLFull Document: Railway Safety Appliance Standards Regulations (Accessibility Buttons available) |
- XMLFull Document: Railway Safety Appliance Standards Regulations [371 KB] |
- PDFFull Document: Railway Safety Appliance Standards Regulations [2816 KB]
Regulations are current to 2026-03-17 and last amended on 2015-06-18. Previous Versions
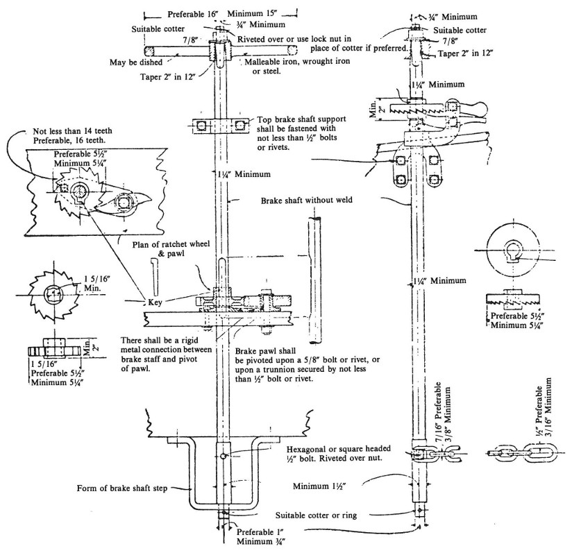
SCHEDULE II(ss. 1, 4, 37, 112.4, 112.27, 316, 349.4 and 349.19 of Sch. I)
Plate A

(Any efficient arrangement of ratchet-wheel and pawl may be used.)
Plate B

Application to outside endsill cars.
Page Details
- Date modified: